Преобразователи частоты SR16
Недорогие сверхминиатюрные преобразователи частоты с однофазным питанием и выходом 3х0…220В с монтажом в дверцу шкафа.
Приборы серии SR16, несмотря на очень маленькие размеры и низкую цену, являются полноценными преобразователями частоты с множеством встроенных функций.
Идеально подходит для применения в составе станков, вентиляционных и насосных установок с двигателями малой мощности.
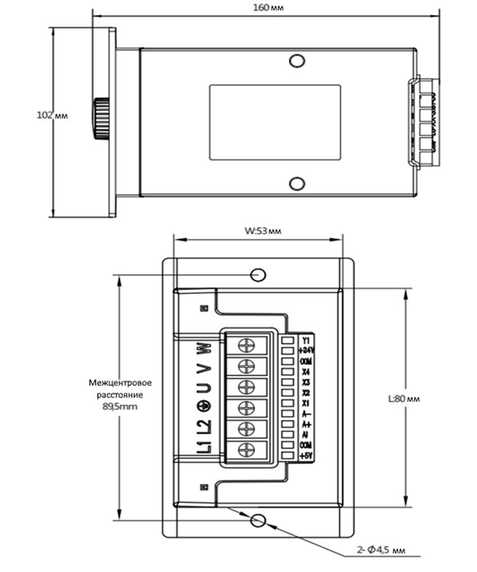
Вся линейка SR16 выпускается в одном габаритном размере.

Функции и характеристики преобразователей частоты SR16:
- Мощность: 0,2…1,1кВт
- 5 программируемых дискретных входов
- 1 аналоговый вход (0-5В)
- 1 программируемый транзисторный выход
- Встроенный ПИД-регулятор
- Встроенный цифровой интерфейс
- Функция многоступенчатого управления скоростью
- Защита двигателя
По запросу
